可可文库 - 千万精品文档,你想要的都能搜到,下载即用。

4:监理项目检查评估表.doc

Gentleman 绅士2 页 31.5 KB下载文档
4:监理项目检查评估表.doc4:监理项目检查评估表.doc
当前文档共2页 2.88
下载后继续阅读

4:监理项目检查评估表.doc

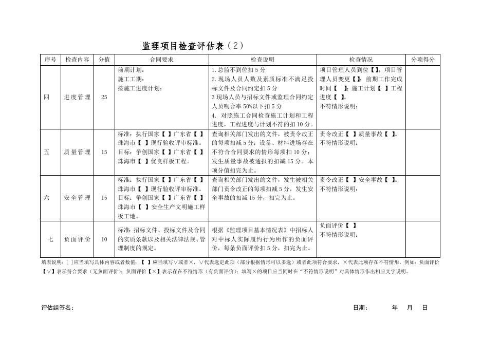
附件 4: 监理项目检查评估表(1) 项目名称: 序号 招标人: 检查内容 分 招标文件要求 值 担保金额:中标价格的[ 一 履约担保 10 中标人: 检查得分:[ 检查说明 检查情况 ]%。担 检查银行保函、转账记录,金额或者 金额【 保方式:银行保函【 】现金(银行 方式与招标文件规定不符的每项扣减 提交时间【 转账)【 】其它【 】。提交时间: 5 分,提交时间延迟的每天扣减 0.5 不符情形说明: 《中标通知书》发出之后[ 分,扣完为止。 ]天 ] 分项得分 】提交方式【 】 】。 内。 二 合同签订 《 中 标 通 知 书 》 发 出 之 后 对照招、投标文件检查监理合同签订 签订日期【 】。 [ 日期,延迟的每天扣减 0.5 分扣完为 不符情形说明: ]天内签订合同。 10 止。 合同监理费:[ 合同工期:[ 监理容:[ 合同及补 三 充 协 议 内 评估组签名: 容 ]万元。 对照招、投标文件及合同,检查监理 ]。 ] 工程质量:合格【 】创优【 】。 15 安全生产文明施工:合格【 】创优 合同费用【 】;工期【 】; 合同及补充协议内容,实质性条款与 人员及组织机构【 】工程质量 招、投标文件不符的每项扣减 5 分, 【 】安全生产文明施工【 扣完为止 进度款支付方式【】结算原则【】 】 。 不符情形说明: 【 】。 日期: 年 月 日 监理项目检查评估表(2) 序号 四 检查内容 进度管理 分值 合同要求 检查说明 检查情况 分项得分 前期计划: 1.总监不到位扣 5 分 项目管理人员到位【】;项目管 施工工期: 2.现场人员人数及素质标准不满足投 理人员变更【】;前期工作完成 按施工进度计划: 标文件及合同约定扣 5 分 时间【 3 现场人员与招标文件或监理合同约定 进度【 】 。 人员吻合率 50%以下扣 5 分 不符情形说明: 25 】;施工计划【 】工程 4. 对照施工合同检查施工计划和工程 进度,工程进度与计划不符的扣 10 分。 五 质量管理 15 标准:执行国家【 】广东省【 】 查询相关部门发出的文件,被责令改正 责令改正【 】质量事故【 】。 珠海市【 】现行验收评审标准。 的每项扣减 5 分;设备、材料进场存在 不符情形说明: 目标:争创国家【 】广东省【 】 不符合合同要求的情形每项扣 10 分; 珠海市【 】优良样板工程。 发生质量事故被通报的扣减 15 分。本 项分值扣完为止。 六 安全管理 15 标准:执行国家【 】广东省【 】 查询相关部门发出的文件,发生被相关 责令改正【 】安全事故【 】。 珠海市【 】现行验收评审标准。 部门责令改正的每项扣减 5 分,发生安 不符情形说明: 目标:争创国家【 】广东省【 】 全事故的扣减 15 分,扣完为止。 珠海市【 】安全生产文明施工样 板工地。 七 负面评价 10 标准:招标文件、投标文件及合同 根据《监理项目基本情况表》中招标人 的实质条款以及相关法律法规、管 对中标人实际履约行为所作的负面评 理制度的规定。 价,每条负面评价扣 5 分,扣完为止。 负面评价【 】 不符情形说明: 填表说明:[ ]应当填写具体内容或者数值;【 】应当填写∨或者×,∨代表选定此项(部分根据情形可以多选)或者此项符合要求,×代表此项存在不符情形,例如:负面评价 【∨】表示符合要求(无负面评价);负面评价【×】表示存在不符情形(有负面评价);填写×的项目应当同时在“不符情形说明”对具体情形作出相应文字说明。 评估组签名: 日期: 年 月 日

相关文章